ホーム › 製品情報・導入事例 › CRAFT DXシリーズ › CRAFT CAD DX V2 › 機能紹介
また、DWG,DXF,JWWファイルを「CRAFT CAD」のシンボルファイルに一括で変換できます。


また、作画した注釈文字を集計して、CSV形式に書き出すことができます。


また、集計結果をCSV形式に書き出すことができます。





複数台の器具が水平・垂直方向に配置されている場合、範囲を指定するだけで一括作画できます。


を移動できます。また、既に付加されている経路記号,末端記号も同時に移動します。


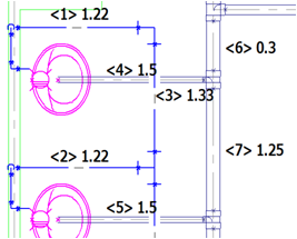
シンボルに作画済みの寸法線もリンクし、自動で寸法線・寸法値が変更されます。

マウスカーソルが移動します。

また、申請書はフリーフォーマット形式ですので、電気、衛生等、図面種別も問いません。
もちろん、申請書に利用できるアイソメ作画機能も搭載しております。


も可能です。もちろん、指定の矩形内を隠線することも簡単にできます。

CAD要素として読込みできます。CRAFT CADでのトレース作業が不要となることから、
図面作成業務の大幅な効率化に繋がります。
対象となるPDFデータは、Microsoft Word や Excel,CADデータをPDF変換ソフトで作成した、
文字や線分情報を保持しているPDF(ベクトル形式)ファイルのみです。
この機能で、複数のディスプレイ間でCRAFT CAD図面の複写等が行えます。
これにより、作業効率のアップを図れます。

ります。また、シートごとに図面縮尺を設定できるよう対応したことで、部分詳細図の表現や、
図枠の表現がより簡単に行えます。
これらシート機能・異縮尺への対応により、図面作成業務のさらなる効率化が図れます。